始于1994年美式除尘器制造商

400-822-9050
13961599050

滤筒除尘器-二环环保
  • EHI系列滤筒除尘器一体机
EHI系列滤筒除尘器一体机

        滤筒除尘器、沉流式滤筒除尘器、平装式滤筒除尘器的源头厂家-江苏二环环保。

        我们拥有滤筒除尘器生产工厂与滤筒滤芯耗材生产工厂,已为众多寻求高品质欧美款式除尘器的第三方提供OEM代工服务,并出口海外。好品质的滤筒除尘器将为您的项目锦上添花,获得更多的市场赞誉。

五五世纪         采用滤筒作为核心过滤单元,利用电磁脉冲阀,启闭压缩空气喷吹清灰作业的除尘器。除尘是物理拦截过程,不同的排放浓度要求,选用不同孔径大小的滤料。由于滤料折褶成筒状使用,使滤料布置密度大,所以滤筒除尘器结构紧凑,同等风量下,占地小于布袋除尘器。

全国热线

400-822-9050

EHI型滤筒除尘器一体机
EHI filter cartridge dust collector integrated machine
滤筒除尘器一体机

1.1品名:EHI型沉流式滤筒除尘器一体机(风量:1000-6000立方米/小时)

五五世纪 1.2滤筒安装方式:水平插入。聚酯9-10平/只,纸质21-23.5平/只。

1.3滤筒固定方式:压盖+手把紧固

1.4清灰方式:脉冲电磁阀喷吹压缩空气。

五五世纪 1.5搭载滤筒规格:圆筒350*660mm 。

1.6产品理念:除尘器、风机、电控集成于一体。

五五世纪 1.7安装:落地即完成安装,透明钢丝软管连接进风口,插电即可运行。

1.8特点:在除尘点位就近安装,占地面积小,排放无肉眼可见粉尘。

1.9应用:只适用于低浓度烟气、粉尘,单岗位除尘。

1.10注意:一体机是模块机的阉割版,不适用于大风量高浓度粉尘净化的需求。

EHI型滤筒一体机展示
EHI filter cartridge integrated machine display
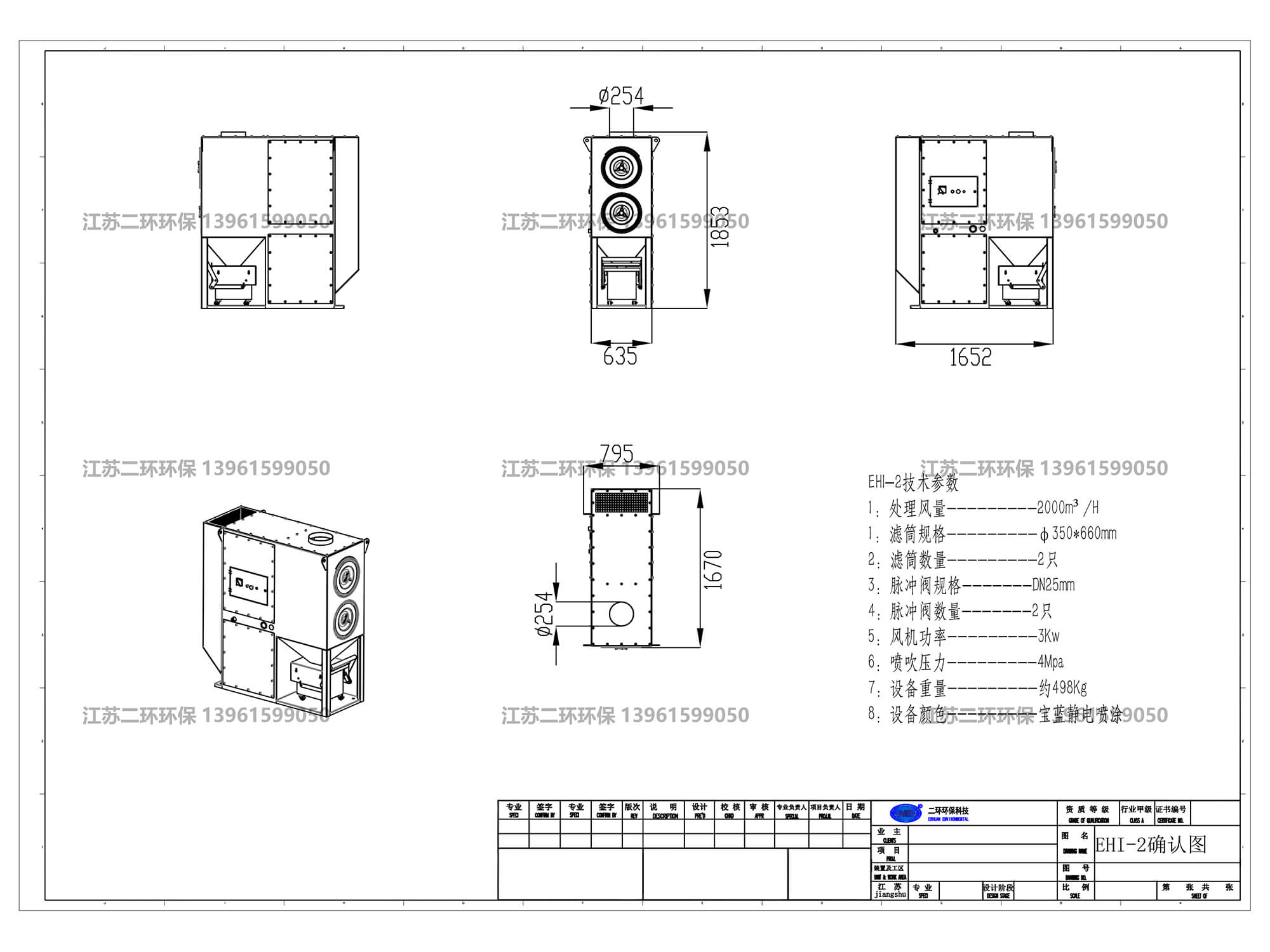
  • 滤筒除尘器一体机 EHI-2型滤筒除尘器一体机@3KW,2000立方米/小时
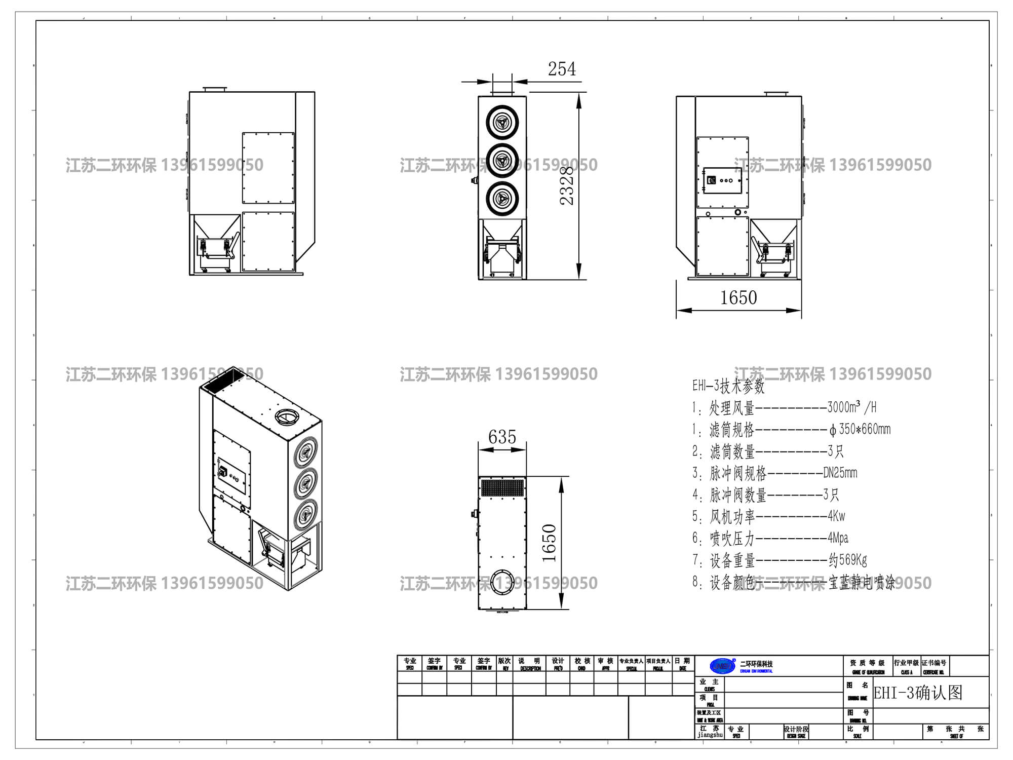
  • 滤筒除尘器一体机 EHI-3型滤筒除尘器一体机@4KW,3000立方米/小时
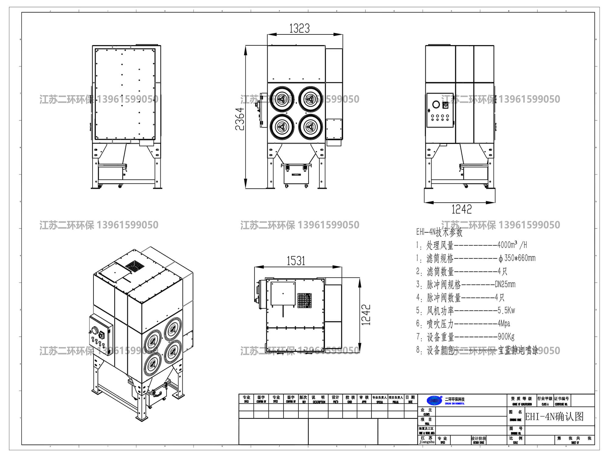
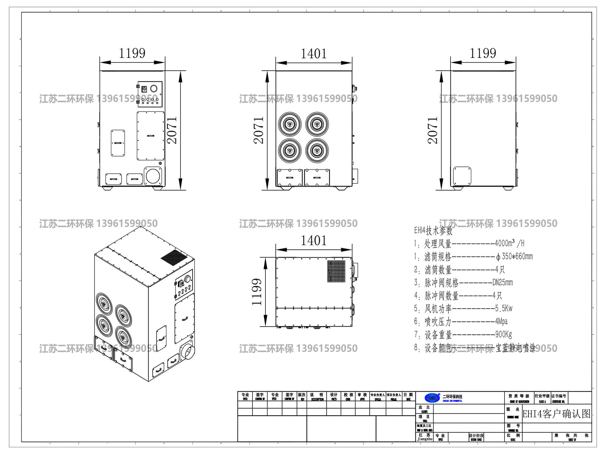
  • 滤筒除尘器一体机 EHI-4型滤筒除尘器一体机@5.5KW,4000立方米/小时
  • 滤筒除尘器一体机EHI-4N型滤筒除尘器一体机@5.5KW,4000立方米/小时
  • 滤筒除尘器一体机 EHI-6型滤筒除尘器一体机@7.5KW,6000立方米/小时
  • 滤筒除尘器一体机 EHI-6N型滤筒除尘器一体机@7.5KW,6000立方米/小时
常用滤筒配件
Common filter cartridge specifications
EHI型滤筒除尘器一体机选型表
Selection Table for EHI Series Filter Cartridge Dust Remover Integrated Machine

滤筒除尘器一体机选型表

EHI滤筒除尘一体机客户确认图
EHIE down flow typecartridge dust collector
1、EHI-2型客户确认图:

滤筒除尘器图纸

2、EHI-3型客户确认图:

滤筒除尘器图纸

3、EHI-4型客户确认图:

滤筒除尘器图纸

4、EHI-4N型客户确认图:

滤筒除尘器图纸

5、EHI-6型客户确认图:

滤筒除尘器图纸

6、EHI-6N型客户确认图:

滤筒除尘器图纸

我们是源头生产厂家


五五世纪about us

五五世纪 江苏二环环保26年专注环境污染防治设备的研发与生产。承接设计、制造、安装、售后交钥匙工程。主要特色产品为:美制滤筒除尘器、布袋除尘器、湿式除尘器、空气入口过滤器;以及各类传统除尘器、烟尘洗涤塔、蓄电池生产设备等。可以提供OEM/ODM服务,同时承接国外除尘器的维修及配件服务。

固定资产展示

  • 二环环保新厂铁件工厂(自有产权)
  • 塑件工厂(自有产权)塑件工厂(自有产权)
  • 铁件车间一角铁件车间一角
  • 塑件车间一角塑件车间一角
  • 办公楼大厅办公楼大厅
  • 产品展示厅产品展示厅
客户评价Customer evaluation
  • 二环客户 秘书处:

    五五世纪 二环环保是我学会的会员单位,希望贵单位为我们的绿色环保事业多出新品,多作贡献。

  • 二环客户 秘书处:

    五五世纪 江苏二环是我协会20多年的老会员单位,希望贵单位再接再厉,为新能源事业努力奋斗。

  • 中国粮食协会 秘书处:

    五五世纪 二环环保是我粮食行业协会的会员单位,希望贵单位为粮食生产加工的环保事业添砖加瓦。

  • 二环客户 创始人周董、杨董:

    二环环保是我们二十多年的供应商,产品性能稳定,已累计采购1.2亿元人民币,希望再接再厉,服务好各子分公司。

  • 二环客户 章部长:

    五五世纪 涂装喷粉、腻子灰打磨、切焊烟尘等工序的环境问题一直困惑着我们,自从二环改造后,实现了烟尘零排放,改善了工作环境。

  • 二环客户 陈总:

    五五世纪 二环的除尘器我们已经采购了近千万元,6年多的选用,顺利通过环保验收,设备运行状态良好,他们的售后服务也好。

  • 二环客户 南京扬子石化比欧西气体有限公司 高工:

    我公司购买国外的自洁式空气入口过滤器设备,二环环保为我们提供了维修配件服务,展示了他们的技术实力,后续扩产,我们会选择他们的成套产品,支持中国制造。

  • 二环客户 南京长江江宇石化有限公司 丁总

    我公司1期、2期的化工废液燃烧RTO项目,与二环环保点对点直购2套10万风量高温布袋除尘器,没有中间商,性价比高,氧化钴粉通过除尘器收尘,稳定有效。

  • 二环客户 中汽研汽车工程研究院有限公司 任工

    二环环保为我院实验室所设计的火烧台、灭火水枪台以及环保设备采用了三维动画设计,过程环节一目了然,设计能力较好,定制生产、交货速度也快。

  • 二环客户 武汉法利莱切割系统工程有限公司 邓总:

    五五世纪 我亲自去过二环公司的生产基地,考察了他们的生产加工能力,认同他们的经营理念,选择了他们,为我们华工激光OEM配套除尘器。

  • 二环客户 武汉维拓光纤激光工程有限公司 杜总

    看到同行选用了二环公司的除尘器,我们也就选用他们为我们OEM配套服务,经过批量使用,产品性能稳定,故障率低。

  • 二环客户 北京泰姆蓝环保科技有限公司 龚总

    五五世纪 我公司主要承接国企、外企的项目。我多次去过二环公司,他们的技术和制造能力可以媲美国外同类产品,让他们OEM/ODM配套服务,我放心。

联系我们contact us

江苏二环环保科技有限公司

  • 电话:400-822-9050传真:0510-87692345
  • 联系人:吴先生手机:13961599050(WX同号)
  • 地址:江苏宜兴市徐舍镇吴圩工业区二环路(百度地图可定位)

来访路线

  • 高铁:杭宁高铁宜兴站
  • 高速:杭宁高速徐舍出口、锡宜高速宜兴西出口
  • 机场:无锡江南硕放、常州奔牛、南京禄口、杭州萧山、上海虹桥、上海浦东
地图

热品推荐 / Hot product

滤筒除尘器 沉流式滤筒除尘器 斜插式滤筒除尘器

滤筒除尘器 沉流式滤筒除尘器 斜插式滤筒除尘器

江苏二环环保是生产滤筒除尘器、沉流式滤筒除尘器、斜插式滤筒除尘器、弹匣式滤筒除尘器、竖装式滤筒除尘器、卡盘式滤筒除尘器、垂直式滤筒除尘器的源头厂家。欧美款式,产品型号丰富,有大风量模块机与小风量一体机系列。我们拥有滤筒除尘器生产工厂与滤筒滤芯耗材生产工厂,已为众多寻求高品质欧美款式除尘器的第三方提供OEM代工服务,并出口海外。好品质的滤筒除尘器将为您的项目锦上添花,获得更多的市场赞誉。采用滤筒作为核心过滤单元,利用电磁脉冲阀,启闭压缩空气喷吹清灰作业的除尘器。除尘是物理拦截过程,不同的排放浓度要求,选用不同孔径大小的滤料。由于滤料折褶成筒状使用,使滤料布置密度大,所以滤筒除尘器结构紧凑,同等风量下,占地小于布袋除尘器。
DFT滤筒除尘器 沉流式滤筒除尘器 斜插式滤筒除尘器

DFT滤筒除尘器 沉流式滤筒除尘器 斜插式滤筒除尘器

沉流式滤筒除尘器,业内也叫斜插式滤筒除尘器、弹匣式滤筒除尘器。采用滤筒作为核心过滤单元,利用电磁脉冲阀,启闭压缩空气喷吹清灰作业的除尘器。除尘是物理拦截过程,简单的说,好比一个筛子,颗粒尺寸大于筛孔的粉尘被拦截,颗粒尺寸小于筛孔的则可以穿透,因此筛子孔越细,粉尘的拦截效率越高,不同的排放浓度要求,选用不同孔径大小的滤料。由于滤料折褶成筒状使用,使滤料布置密度大,所以滤筒除尘器结构紧凑,同等风量下,占地小于布袋除尘器。
扁布袋除尘器-DLMC型扁布袋除尘器-旁插式布袋除尘器-信封式布袋除尘器

扁布袋除尘器-DLMC型扁布袋除尘器-旁插式布袋除尘器-信封式布袋除尘器

DLMC型扁布袋除尘器、旁插式扁布袋除尘器、信封式扁布袋除尘器、模块化扁布袋除尘器、美式扁布袋除尘器结构优势:旁插式刀片阵列布置布袋,也叫插入式除尘器,烟厂、矿石破碎、皮带机常用除尘器,尺寸满足集装箱,适合外贸出口。产品特色:箱体采用冷轧板制造,设备可以拆散,人能走过的通道,就能碎片化进场,现场拼装,解决室内安装位置局限的问题。净化效率:选用PTFE覆膜布袋+HEPA过滤器集成的二级过滤除尘一体机,其排放浓度可以实现小于1毫克以下排放。安装优势:占地面积小,模块化制造,积木式拼装,整体喷塑出厂,避免现场喷漆VOCS二次污染业主工厂。
废气排放小于1毫克-滤筒除尘器

废气排放小于1毫克-滤筒除尘器

垂直式滤筒除尘器,属于滤筒除尘器的一类,又叫卡盘式、竖装式滤筒除尘器,加装二级HEPA过滤器模块,上下一体二级过滤。如果车间有VOCS异味,可以采用三级过滤,增加活性炭过滤器,三级模块上中下组合成一体。滤筒垂直安装的结构特征,带来了易清灰的特点。对于浓度大的粉尘,垂直式的布置比平装或斜插式的滤筒除尘器清灰效果要好。机器采用正面开门,抽屉式推入滤筒,更换滤筒快速便捷,淘汰了采用螺丝吊装固定的麻烦方式。设备采用激光切割、数控机床加工、模具焊接、模块化制造、静电喷塑、积木式拼装,精工打造而成。同等风量的前提下,滤筒除尘器比布袋除尘器体积小的多。
富彩vip登录|首页 彩运网888 - 首页 2468彩票网 彩运网888 - 首页 U9彩票799cc-u9彩票799绿色-绿色U9彩票旧版-u9彩票799手机版 新币彩票|登录 9759彩集团 - 首页 88彩票 - 安全购彩